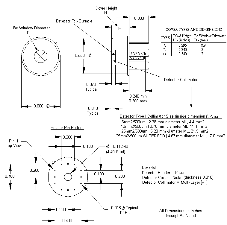
General AXR (T0-8) Mechanical Dimensions

Figure 5. All dimensions in inches ±0.005.
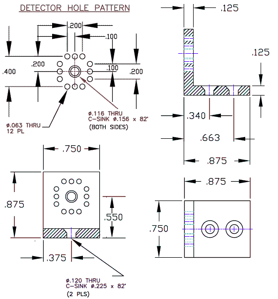
Typical Detector Geometry

Figure 6. Typical Detector Geometry.

Right Angle Heat Sink Mechanical Dimensions (supplied with OEM components)

Figure 7. All dimensions in inches ±0.005.

Figure 8. Detector, PA210 or PA230 preamplifier, and heat sink assembly.

Figure 9. Detector, PA210 or PA230 preamplifier, and heat sink assembly.
PA-210 Cover and PC Board

10. AXR Detector with PA-210 and Housing, Mechanical Dimensions; all Measurements in Inches [mm]

11. PA-210 Mechanical Dimensions, All Measurements in Inches
PA-230 Cover and PC Board

For product modeling and design, download the STP file at this link → PA230_STP
12. AXR Detector with PA-230 and Housing, Mechanical Dimensions; all Measurements in Inches [mm]

13. PA-230 Mechanical Dimensions, All Measurements in Inches